Die Seitenständer-Schaltung
Ich habe an meiner CBX einen Seitenständerschalter angebracht, um den irrsinnigen selbst-zurück-klappbaren-Seitenständer in den Müll zu werfen. Das größte Problem war, den Schalter zu positionieren und zu befestigen. Ich habe einen Microschalter (von Konrad, siehe Bild) mit drei Lötpin´s genommen, da der zwei 4mm Bohrungen hat, an denen man den Schalter befestigen kann. Ich habe den Schalter mit doppelseitigen Klebeband in Position fixiert, um durch die Bohrungen die Position der Schrauben zu bestimmen. Danach habe ich die Bohrungen gesetzt, in denen ich das Gewinde für die Schrauben geschnitten habe. Die Kabel habe ich so an den Schalter gelötet, dass bei hochgeklappten Seitenständer, der Schalter nicht auf Durchgang steht und zum Schluss habe ich die Anschlüsse mit Heißkleber versiegelt. |
|
Seitenständerschaltung #A#
Diese Schaltung ist die, die ich am besten finde, da das Relais nur angesteuert wird, wenn der Seitenständer unten ist und somit während der Faht im "Ruhezustand" ist. Dadurch läuft der Motor auch, wenn das Relais defekt sein sollte. Nachteil: es sind zwei Relais notwendig (siehe Schaltplan).
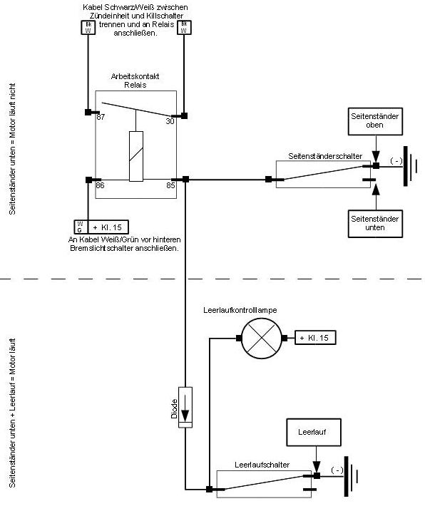
Seitenständer:schaltung #B#
Die Schaltung funktioniert genauso, wie die von #A#. Nachteil: das Relais ist während der Fahrt ständig angzogen, beim Ausfall des Relais geht der Motor aus (was ev. zum Unfall führen kann).
Seitenständerschaltung #C#
Dieser Schaltplan ist die abgespeckte Variante, bei der geht der Motor immer aus, wenn der Seitenständer unten ist, auch im Leerlauf.

